Projektentwicklung mit der WAGO Building Cloud

Individuell. Effizient. Zukunftssicher.

Wir begleiten Sie bei der digitalen Transformation Ihrer Gebäude – von der ersten Idee bis zur vollumfänglichen Umsetzung. Mit der WAGO Building Cloud bieten wir maßgeschneiderte Lösungen, die weit über Standardfunktionen hinausgehen. Dabei setzen wir auf höchste Flexibilität und Effizienz in der Gebäudeautomation.

Unsere Leistungen im Überblick:

  • Cloudbasierte Management und Bedienebene (MBE) / Gebäudeleittechnik (GLT):
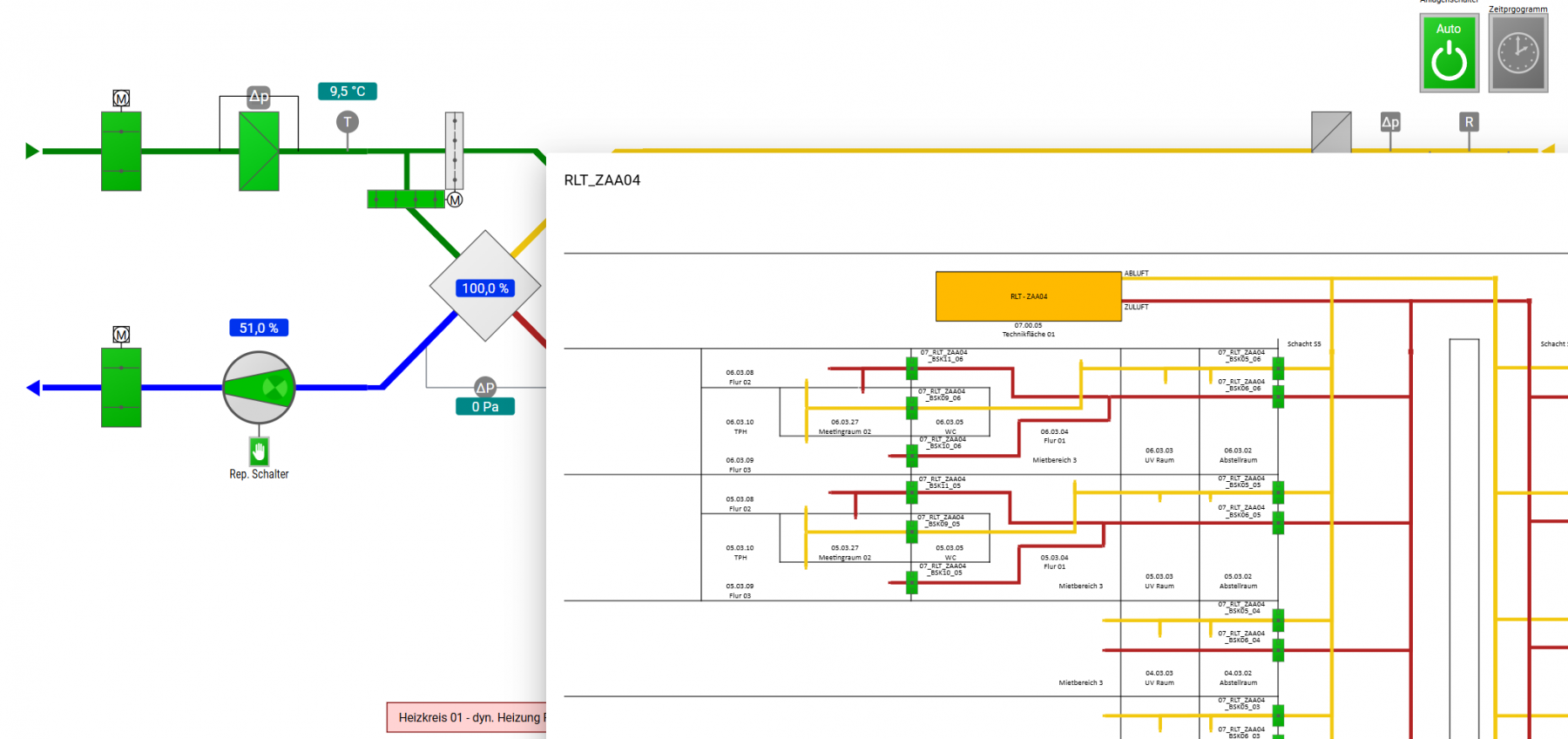
    Unsere Lösungen integrieren alle relevanten Anlagen in ein zentrales System. Ob Primäranlagen Ihrer Heizungs-, Kälte- oder Lüftungstechnik oder eine bedarfsgeführte Raumautomation – wir sorgen für eine präzise Steuerung und optimale Abläufe. So schaffen wir maximale Effizienz und Transparenz im Gebäudebetrieb.
  • Zeitgesteuerte sowie manuelle Steuerungsfunktionen und die Kontrolle Ihrer Automationsschwerpunkte:
    Dabei legen wir besonderen Wert auf Zukunftssicherheit, einfache Erweiterbarkeit und eine benutzerfreundliche Bedienung.
  • Energiedatenmanagement:
    Wir erfassen, analysieren und visualisieren Ihre Energieverbräuche transparent und normgerecht – die Grundlage für eine nachhaltige und kostenoptimierte Betriebsführung.
  • Entwicklung eigener Shapes:
    Für Ihre spezifischen Anforderungen entwickeln wir individuell angepasste Visualisierungselemente (Shapes), die eine intuitive Bedienung und klare Übersicht garantieren.

Warum WAGO Building Cloud mit uns?

  • Modular & skalierbar: Vom Einzelgebäude bis zum vernetzten Campus – unsere Lösungen wachsen mit Ihren Anforderungen.
  • Herstellerunabhängige Integration: Wir binden bestehende Systeme intelligent ein – ohne technische Barrieren.
  • Sicher & datenschutzkonform: Ihre Daten sind bei uns in sicheren Händen – DSGVO-konform und cloudbasiert.

Lassen Sie sich selbst überzeugen – werfen Sie einen Blick auf unsere bisherigen Projekte und erleben Sie, wie vielseitig und leistungsfähig moderne Gebäudeautomation mit der WAGO Building Cloud sein kann.